MINI frees machine

Alle in grote lijnen opgebouwde aluminium, stalen en houten cnc-machine`s

Moderators: audiomanics, Moderators

Plaats reactie
Gebruikersavatar
create
Berichten: 1933
Lid geworden op: 11 jan 2007 00:15
Locatie: Volendam
Contacteer:

Re: MINI frees machine

Bericht door create »

Woont er iemand dichtbij ?
Misschien wel handig om je woonplaats in je profiel te plaatsen! Kom er wel achter hoor maar dat is makkelijker.

Bedankt voor de info Markus! En we wachten met spanning af!

gr Create
onbekend

Re: MINI frees machine

Bericht door onbekend »

Markus schreef:Update over de 1,5 Vijf fasen driver

Heb nog geen tijd gehad om nauwkeurig een prijs te berekenen. Maar ik schat dat de prijs iets van rond de 75 euro zal liggen als bouwpakket. Die prijs wordt voornamelijk bepaald door de kleine oplage van de printplaten.
Markus, is deze prijs voor 1 as of voor een x-as, y-as en z-as, en wat moet hij ongeveer kosten als hij de printlaat klaar is?

Alvast bedankt,

Erik
Gebruikersavatar
Markus
Donateur
Berichten: 1253
Lid geworden op: 01 sep 2007 22:43
Locatie: Aduard, Groningen
Contacteer:

Re: MINI frees machine

Bericht door Markus »

Misschien wel handig om je woonplaats in je profiel te plaatsen! Kom er wel achter hoor maar dat is makkelijker.
Ja goed plan Create, ik heb het meteen erin gezet

Ik woon dus 50 km over de grens van Nieuweschans in Duitsland
Markus, is deze prijs voor 1 as of voor een x-as, y-as en z-as, en wat moet hij ongeveer kosten als hij de printlaat klaar is?
Dat is voor 1 as, je hebt er dus 2 nodig voor beide assen en als je de 3de as ook met een 5 fase motor doet dan dus 3 kaarten.

De printplaat is klaar, en de motor (RDM 569 1,4 Ampere op 38 volt) draait, alles lijkt te werken. Maar de firmware moet beter. Ik moet kijken of de kaart ook slaagt voor een duurtest, en wat voor koeling (koelichaam en/of ventilator) nodig is.

Dan moet ik weten hoeveel kaarten mensen willen hebben, dan weet ik pas of ik meer printplaten moet laten maken. En dan pas weet ik precies wat alles moet gaan kosten. Omdat het hier om zeer kleine aantalen gaat zijn de printplaten de belangrijkste kostenpost.

Greezt,

Markus
Gebruikersavatar
Testa-Rossa
Berichten: 358
Lid geworden op: 20 okt 2007 17:38
Locatie: Groenlo, Achterhoek
Contacteer:

Re: MINI frees machine

Bericht door Testa-Rossa »

Marktplaats dan maar is in de gaten houden wanneer de adv. verwijderd word, volgens mmelters had ie er nog 5 liggen toen hij de zijne ophaalde, dus misschien dat iemand hier van het forum er nog 1 koopt. Op het moment zit je dus waarschijnlijk aan 12 printplaaten (?)

En omdat het een grauw topic begint te worden met alleen maar lappen tekst nog maar even een fototje :mrgreen:

Afbeelding

Achterhoek Yeah! 8)
De wijzen komen uit het oosten, maar de slimsten ut de Achterhoek!
mno
Berichten: 53
Lid geworden op: 22 mei 2007 22:41

Re: MINI frees machine

Bericht door mno »

Het ziet er wel professioneel uit, maar kan hier staal mee gefreesd worden?
Op die paar assen tegen het kantelen van de moer om de spindel na, lagert hij volledig op de kogelomloopspindels als ik het goed bekijk.
Gebruikersavatar
Markus
Donateur
Berichten: 1253
Lid geworden op: 01 sep 2007 22:43
Locatie: Aduard, Groningen
Contacteer:

Re: MINI frees machine

Bericht door Markus »

Update 5 fasen driver,

De warmte ontwikkeling is onder controle. Ik heb speciaal zo'n laser non-touch temperatuur meter gekocht en ik heb mini heatsinkjes op de driver chips gelijmd met koelichaamlijm. Toen liepen ze nog steeds boven de 75 graad bij 1 ampere fase stroom. Dan maar de beuk erin en een plaat circa 3 cm boven de printplaat gemaakt met een gat en een 80x80 mm ventilator.

Dat hielp ontzettend en nu een rustige 30 graad bij 1,4 fase stroom bij 40 volt. Motor nu veel langer laten draaien en alles lijkt prima te werken. De motor zelf werd wel aardig warm (60 graad) maar ik heb begrepen dat dat nomaal is bij Berger Lahrs, vandaar dat die van jullie ook koelvinnen hebben (die van mij dus niet). Volgens de datasheet mogen de motoren tot iets van 100 graad dus ik maak me geen zorgen.

Nu nog de firmware. Ik ga nog steeds proberen deze week een goede versie klaar te hebben. De firmware krijgt net als normale berger lahr kaarten een automatische stroom vermindering (naar iets van 70%) als de stapfrequentie onder de 5 stappen per seconde daalt. Dit wordt gedaan om de motoren en drivers koel te houden als de motoren bijna stilstaan. Het koppel verlies door de stroomvermindering bij zulke lage snelheden is niet belangrijk.

Greezt,

Markus
Gebruikersavatar
create
Berichten: 1933
Lid geworden op: 11 jan 2007 00:15
Locatie: Volendam
Contacteer:

Re: MINI frees machine

Bericht door create »

Dat klinkt goed Markus,

Ben beniewd hoe het gaat draaien! Kan er straks ook usbcbc aanhangen? Ik wil mijn laptop namelijk hiervoor gaan gebruiken!

Keep up the good work

gr Create
Gebruikersavatar
Testa-Rossa
Berichten: 358
Lid geworden op: 20 okt 2007 17:38
Locatie: Groenlo, Achterhoek
Contacteer:

Re: MINI frees machine

Bericht door Testa-Rossa »

Create, had je toevallig al meer informatie over die hiwin Z-as ( prijs enzo )?
De wijzen komen uit het oosten, maar de slimsten ut de Achterhoek!
Gebruikersavatar
Markus
Donateur
Berichten: 1253
Lid geworden op: 01 sep 2007 22:43
Locatie: Aduard, Groningen
Contacteer:

Re: MINI frees machine

Bericht door Markus »

Create,

aansluiten op USBCNC is geen probleem, driver heeft gewoon STEP DIR ingangen

Andere vraag , hoeveel draadtjes komen eruit die Berger Lahr motor, het moeten er tien wil mijn driver kaart erop willen

Greezt,

Markus
Gebruikersavatar
Testa-Rossa
Berichten: 358
Lid geworden op: 20 okt 2007 17:38
Locatie: Groenlo, Achterhoek
Contacteer:

Re: MINI frees machine

Bericht door Testa-Rossa »

Markus schreef:Create,

aansluiten op USBCNC is geen probleem, driver heeft gewoon STEP DIR ingangen

Andere vraag , hoeveel draadtjes komen eruit die Berger Lahr motor, het moeten er tien wil mijn driver kaart erop willen

Greezt,

Markus
Dit komt uit de mail van een verkoper;
'Stappenmotoren Berger-lahr 10 draads (ik denk 5-Phase)Nema 23'

Lijkt dus te kloppen.
De wijzen komen uit het oosten, maar de slimsten ut de Achterhoek!
Gebruikersavatar
Markus
Donateur
Berichten: 1253
Lid geworden op: 01 sep 2007 22:43
Locatie: Aduard, Groningen
Contacteer:

Re: MINI frees machine

Bericht door Markus »

Ok mooi, dat het 10 draadjes zijn

Dat dacht ik ook wel, maar sommige hebben er slechts 5

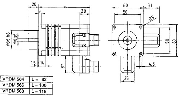
overigens dat het maat Nema23 motoren zijn klopt niet kijk hier is de tekening


Afbeelding

Nema 23 hebben een gat afstand van 47,14mm ipv deze 50

Greetz,

Markus
Gebruikersavatar
Testa-Rossa
Berichten: 358
Lid geworden op: 20 okt 2007 17:38
Locatie: Groenlo, Achterhoek
Contacteer:

Re: MINI frees machine

Bericht door Testa-Rossa »

Dan heeft de vekoper zich daar in vergist, ik neem aan dat hij wel tot tien kan tellen en dat info die je nodig had juist is :mrgreen:
De wijzen komen uit het oosten, maar de slimsten ut de Achterhoek!
rolandcube
Berichten: 71
Lid geworden op: 01 jul 2007 00:34
Locatie: Hoogerheide
Contacteer:

Re: MINI frees machine

Bericht door rolandcube »

Hoi Jongens, ik heb de aanbieder net een mailtje gestuurd of hij nog een machine op voorraad heeft.
Ik ben benieuwd, volgens marktplaats nog 4 stuks.
Lijkt me wel een geinig ding om iets leuks mee te maken. Hebben jullie al concrete plannen wat te gaan bouwen van deze machine !!!.

Dus markus als het een beetje meezit komen er nog een paar printjes bij :P

Wie weet wat deze man bieden heeft http://www.cnczone.nl/viewtopic.php?f=58&t=988#p7967
Kan niet echt een foto vinden van zijn mini freesmachine. :roll:

Gr.Pascal
Gebruikersavatar
Testa-Rossa
Berichten: 358
Lid geworden op: 20 okt 2007 17:38
Locatie: Groenlo, Achterhoek
Contacteer:

Re: MINI frees machine

Bericht door Testa-Rossa »

Hallo Pascal, ik geloof dat dat bericht van HKS machines hier in dit topic stond. Omdat HKS echter een bedrijf is en geen particulier is zijn bericht hier waarschijnlijk weggehaald. Met 'deze minifreesmachines' doelt hij dus waarschijnlijk op een van de 2 types hier uit dit topic. Voor de zekerheid zou je het hem zelf uiteraard even moeten vragen ;-)

Mijn broer en ik maken er een frees/graveer machientje van, misschien uiteindelijk een kleine draai-/freescombinatie maar dat zal van mijn broer (zijn budget) afhangen :mrgreen:

Ik ga van de week even op het werk kijken of ik een paar UNP120 profielen kan regenelen om de machine iets op te hogen. En misschien kan ik de besturing en evt. toerenteller dan ook wel in de zijkant kwijt. Als besturing denk ik dat het USBCNC word omdat mijn broer graag zijn laptop wil gebruiken voor de besturing.
De wijzen komen uit het oosten, maar de slimsten ut de Achterhoek!
Plaats reactie